4 SYMPTOMS OF A BAD EVAP CANISTER
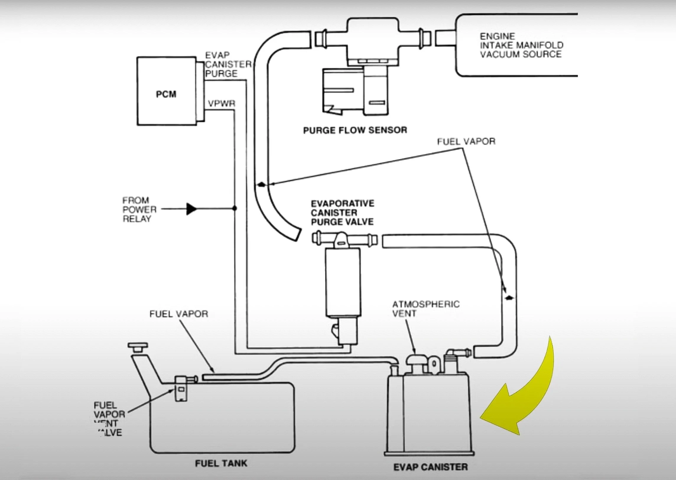
EVAP Canister is part of the Evaporative Emission Control System (EVAP). Some people also call it a vapor canister or a charcoal canister.
PURPOSE
The purpose of the charcoal canister is to store gasoline vapors that are created in the fuel tank. These fuel vapors will end up being transferred to the engine, where they get burned depending on when the ECM commands the purge valve to open. This reduces emissions and increases MPGs. If you have a diesel engine you won't have an EVAP canister since diesel fuel is not as volatile as gasoline.
location
The location of charcoal canister will usually be underneath the vehicle near the fuel tank. In some situations, it can also be in the engine compartment under the master cylinder, or in front of the coolant reservoir.
Symptoms
engine light
The first symptom of a bad charcoal canister is having a check engine light on. There are no specific codes that detect a bad charcoal canister, however, there are some codes that can lead you in the right direction. These codes can pop up if your canister is cracked or clogged:
P0440
P0441
P0442
P0446
P0455
P0496
Ensure you can access your car's diagnostic codes by acquiring an OBD2 scanner here.
gas pump issues
The second symptom of a faulty charcoal canister is the gas pump keeps shutting off while fueling. You’ll be putting gas in your car and with just 1 or two dollars it clicks and turns off as if it was a full tank. This can happen if the canister is clogged, increasing the fuel vapor pressure. Which is why your pump keeps turning off.
failed emissions test
The third symptom is a failed emissions test. If you have a leak or a clog in the EVAP system, the fuel tank pressure sensor will read the pressure difference. When that happens, ECM (engine control module) will illuminate the check engine light. Having the light on will automatically fail your emissions test.
fuel smell
The last system of a bad EVAP canister symptom is noticing a fuel smell. You could experience this if the charcoal canister is cracked or damaged. If it is, the trapped gasoline vapors will escape to the outside, which is why you’ll be able to smell fuel.
Check out my YouTube video!
Disclaimer: Some links in this article may be affiliate links.

